
|
No PVC ražotie žogi stiegroti ar metālisko profilu
Žogu salikšanai un montāžai tiek izmantotas sekojošas detaļas:
| ARTIKULS |
L, mm |
B, mm |
DĒĻU SKAITS |
| SZD-2000/1 |
2000 |
22.2 |
21 |
| SZD-2500/1 |
2500 |
27.6 |
25 |
| ARTIKULS |
L, mm |
B, mm |
DĒĻU SKAITS |
| SZD-2000/2 |
2000 |
22.2 |
21+20 |
| SZD-2500/2 |
2500 |
27.6 |
25+24 |
| ARTIKULS |
L, mm |
B, mm |
DĒĻU SKAITS |
| SZP-2000/3 |
2000 |
22.2 |
21 |
| SZP-2500/3 |
2500 |
27.6 |
25 |
| ARTIKULS |
L, mm |
B, mm |
DĒĻU SKAITS |
| SZP-2000/4 |
2000 |
54 |
16+15 |
| SZP-2500/4 |
2500 |
51.7 |
20+19 |
| ARTIKULS |
L, mm |
B, mm |
DĒĻU SKAITS |
| SZDV-2000/5 |
2000 |
22.2 |
21 |
| SZDV-2500/5 |
2500 |
27.6 |
25 |
| ARTIKULS |
L, mm |
B, mm |
DĒĻU SKAITS |
| SZPV-2000/5 |
2000 |
— |
21 |
| SZPV-2500/5 |
2500 |
— |
21 |
| ARTIKULS |
L, mm |
B, mm |
DĒĻU SKAITS |
| SZPG-2000/5 |
2000 |
— |
27 |
| SZPG-2500/5 |
2500 |
— |
34 |
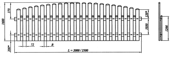
Žoga sekcija ir montēta no cieta PVC brusa un augstāk minētiem komplektējošiem.
Sekcijas garums ir 2000 mm vai 2500 mm.
Horizontālas sijas ir stiegrotas ar metālisko profilu (Zn, ≠ 1,5 mm).
Krāsu (balta, pelēka, zaļa vai brūna) izvēlas pasūtītājs.
Izvietojamais materiāls ir plastikata logu materiāla tiešs analogs, tas ir stabils pret ultravioleta stariem un laika apstākļu lēcieniem.
Plastikata žogiem ir pievilcīgs ārējais izskats, viņi izdevīgi atšķiras no cita veida žogiem ar zemo cenu un ilgizturību.
Šie žogi nav pakļauti korozijai un pūšanai. Viņi ir droši, nekaitīgi un ekoloģiski tīri.
Plastikata žogi droši kalpos desmitiem gadu.
|
Metāla vārti un vārtiņi
Izgatavosim pēc Pasūtītāja sniegtiem izmēriem metāla vārtus un vārtiņus,
t.s. automatiski bīdāmie (1. zīm.) un vēramie (2. zīm.) ar firmas NICE automatikas lietošanu.
 1. zīm.
 2. zīm.
|
 |
 |